随着现代化的进步,撸撸片在线周围都在发生着天翻地覆的变化,现代化小区更是层次不穷的涌现。撸撸片在线也知道一个小区的建成可不是一朝一夕的事,两、三年也是常有的事,有的都要三、四年的时间呢。在此建筑期间,工地临时用电设备的安装一定要粮草先行的。

工地临时用电系统中的设备主要包括配电变压器及周边设备(电源)、总配电箱、分配电箱及开关箱等。下面
色撸撸在线视频观看生产厂家撸撸片在线分别介绍这些工地临时用电设备的安装技能,你不可小觑哦!
1 配电变压器及周边设备的安装
配电变压器、跌落式高压熔断器、避雷器、接地装置等构成了工地临时用电系统的电源部分,安装时需要配合安装和连接。
(1)配电变压器的安装
配电变压器需要安装在电杆的架台上,安装时,通常需要借助起重机将其吊起,安放在架台上,并进行固定。
配电变压器的安装

配电变压器的安装(续)
(2)跌落式高压熔断器的安装
跌落式高压熔断器主要由绝缘支架、熔断器熔体等构成,安装在配电变压器高压侧或输送给分支的线路上,具有短路保护、过载及隔离电路的功能。

跌落式高压熔断器的安装
值得注意的是,跌落式高压熔断器的熔体按配电变压器内部或高、低压出线发生短路时能迅速熔断的原则进行选择。
熔体的熔断时间必须小于或等于0.1s。通常,配电变压器容量在100kVA及以下时,跌落式高压熔断器的熔体额定电流按变压器高压侧额定电流的2~3倍选择;变压器容量在100kVA以上时,跌落式高压熔断器的熔体额定电流按变压器高压侧额定电流的1.5~2倍选择。
(3)避雷器的安装
避雷器是配电变压器中必不可少的防雷装置,一般高压侧避雷器应安装在高压熔断器与变压器之间,通常安装在一根63mm×6mm×2050mm的镀锌金属横担上。

避雷器的安装
(4)接地装置的安装
接地装置主要由接地体和接地线组成。通常,直接与土壤接触的金属导体被称为接地体;电气设备与接地线之间连接的金属导体被称为接地线。接地装置的安装包括接地体的安装和接地线的安装两部分。
接地装置的安装
2、总配电箱的安装
总配电箱主要用于与配电变压器输出侧的连接,通常为标准统一的低压综合不锈钢配电箱,一般安装于配电变压器架台下侧。

总配电箱的安装
配电变压器及相关配电装置、总配电箱安装好后,接下来需要使用相应规格的导线将这些装置连接起来。

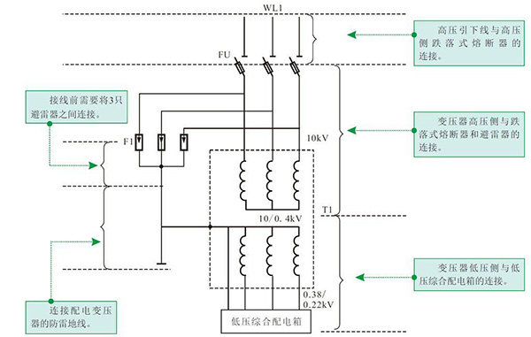
配电变压器与相关设备接线示意图
配电变压器与相关设备接线之前,需要先将避雷器两两之间连接,再与接地装置引线相连接,避雷器之间的连接线通常为横截面积不小于25mm2的多股铜芯塑料线

避雷器之间的接线操作
避雷器之间接线完成后,接下来需要按供电关系,将高压引下线与跌落式熔断器、避雷器、配电变压器及总配电箱连接。图为配电变压器与相关设备的接线。

配电变压器与相关设备的接线

撸撸片在线电气公司主要产品有
撸撸在线视频、色撸撸成人影院、色撸撸在线视频观看、三相干式(整流)变压器、照明、行灯撸撸在线视频、大功率交流电力稳压器、高精度全自动三相交流稳压器、高精度全自动单相交流稳压器、继电器式多功能交流稳压器、接触调压器等配电产品。为顾客提供满意的产品和服务是撸撸片在线公司永恒的目标!您的满意是撸撸片在线永恒的追求,让撸撸片在线携手共进,共创辉煌明天!需要的给撸撸片在线打电话:0577-61733101 62206985,撸撸片在线真诚为你服务!